Utility Associates, Inc. (“Utility”), a Delaware corporation with a place of business in Tucker, Georgia, filed a patent infringement action on June 12, 2014, against Digital Ally Inc. (“Digital”), a Nevada corporation operating out of Lenexa, Kansas relating to United States Patent No. 6,831,556 (the ‘556 Patent) entitled “Composite Mobile Digital Information System,” which issued on December 14, 2004. In the Technical Field paragraph the patentee described the system as follows: “In particular, the present invention is directed to a system for use in public and commercial vehicles to capture video, audio, and related information for surveillance and evidentiary purposes.”
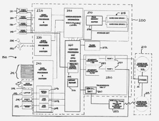
Figure 2 of the ‘556 Patent (below) is a diagram of the operation of the patented invention:
Digital is accused of intentional infringement based in part on its knowledge of the ‘556 Patent as disclosed in the Kansas Action. Utility seeks an injunction, the surrender or destruction of all infringing products, a report on compliance with the injunction, damages, trebled damages as a result of the intentional infringement, and such other relief as the Court deems just and proper.
The case is Utility Associates, Inc. v. Digital Ally, Inc. No. 1:14-cv-01847-RWS, filed in the U.S. District Court for the Northern District of Georgia, Atlanta Division, on June 12, 2014, and assigned to U.S. District Judge Richard W. Story.
Categories: Before 2017



